Modenas Gt128 Wiring Diagram
Modenas gt128 wiring diagram - Find contact info for current and past residents property value and more. This problem seems to bother many owners of gt128. The malaysian market welcomed the first ever modenas pulsar ns200 back in 2017 and it has. Gt128 is hard to start the engines at morning. Bismillah.selawat dan salam ke atas junjungan besar nabi muhammad saw.aaminn.selamat bertemu kembali semua, dalam video kali ini kita cuba buka, cuci, tukar. The modenas gt128 standard price in the malaysia starts at rm 5,283. Gt 128 type of quality. Modenas gt128 specifications & features the modenas gt128 is offered petrol engine in the malaysia. The new moped from modenas comes in a total of 2 variants. Read full answer jul 19, 2011 • 2011 modenas elit 150 0helpful 1answer i want the funtion diagram for modenas kriss 120 cdi so i can connect racing cdi its 6 pin but same as old but no. It is available in 1 colors in the malaysia. Hi, tommy the honda rebel 250 is very similar to your tank vision 250 including a wiring diagram for more info on…# ##…a repair. I also finds it difficult to start the engines at the early morning or when. 128 monticello ave 1 jersey city nj 07304 is a 2 bed 1 bath home. Wiring diagram for 2055 towbar for honda crv the best place to connect the wiring is behind the left trim in the boot, there is a grey socket which has all that you need except the.
️Modenas Gt128 Wiring Diagram Free Download Qstion.co
Modenas gt128 specifications & features the modenas gt128 is offered petrol engine in the malaysia. 128 monticello ave 1 jersey city nj 07304 is a 2 bed 1 bath home. I also finds it difficult to start the engines at the early morning or when. The malaysian market welcomed the first ever modenas pulsar ns200 back in 2017 and it has. Wiring diagram for 2055 towbar for honda crv the best place to connect the wiring is behind the left trim in the boot, there is a grey socket which has all that you need except the.
️Sandstone Paint Color Behr Free Download Qstion.co
I also finds it difficult to start the engines at the early morning or when. Modenas gt128 service manual [upd] download.improve operational efficiency and save you money by using a detailed service manual, workshop manual and component diagram. Bismillah.selawat dan salam ke atas junjungan besar nabi muhammad saw.aaminn.selamat bertemu kembali semua, dalam video kali ini kita cuba buka, cuci, tukar. Wiring diagram for 2055 towbar for honda crv the best place to connect the wiring is behind the left trim in the boot, there is a grey socket which has all that you need except the. Modenas introduces new pulsar variant, the ns200 a.
Index of /sph0800108/modenas_dinamik_forum
The malaysian market welcomed the first ever modenas pulsar ns200 back in 2017 and it has. Gt 128 type of quality. Bismillah.selawat dan salam ke atas junjungan besar nabi muhammad saw.aaminn.selamat bertemu kembali semua, dalam video kali ini kita cuba buka, cuci, tukar. Modenas introduces new pulsar variant, the ns200 a. The gt128 standard is powered.
Wiring, New 125 Lifan, help!? Page 3
Gt128 is hard to start the engines at morning. The modenas gt128 standard price in the malaysia starts at rm 5,283. Bismillah.selawat dan salam ke atas junjungan besar nabi muhammad saw.aaminn.selamat bertemu kembali semua, dalam video kali ini kita cuba buka, cuci, tukar. The malaysian market welcomed the first ever modenas pulsar ns200 back in 2017 and it has. 128 monticello ave 1 jersey city nj 07304 is a 2 bed 1 bath home.
Innova in cub Page 2
This problem seems to bother many owners of gt128. Read full answer jul 19, 2011 • 2011 modenas elit 150 0helpful 1answer i want the funtion diagram for modenas kriss 120 cdi so i can connect racing cdi its 6 pin but same as old but no. Modenas introduces new pulsar variant, the ns200 a. It is available in 1 colors in the malaysia. 128 monticello ave 1 jersey city nj 07304 is a 2 bed 1 bath home.
MODENAS CT100 ELECTRICAL WIRING DIAGRAM
Wiring diagram for 2055 towbar for honda crv the best place to connect the wiring is behind the left trim in the boot, there is a grey socket which has all that you need except the. The modenas gt128 standard price in the malaysia starts at rm 5,283. This problem seems to bother many owners of gt128. Modenas introduces new pulsar variant, the ns200 a. The gt128 standard is powered.
Wiring Diagram Modenas Jaguh PDF
Bismillah.selawat dan salam ke atas junjungan besar nabi muhammad saw.aaminn.selamat bertemu kembali semua, dalam video kali ini kita cuba buka, cuci, tukar. It is available in 1 colors in the malaysia. This problem seems to bother many owners of gt128. The modenas gt128 standard price in the malaysia starts at rm 5,283. Modenas gt128 service manual [upd] download.improve operational efficiency and save you money by using a detailed service manual, workshop manual and component diagram.
Wiring, New 125 Lifan, help!? Page 3
The modenas gt128 standard price in the malaysia starts at rm 5,283. The new moped from modenas comes in a total of 2 variants. Modenas introduces new pulsar variant, the ns200 a. Hi, tommy the honda rebel 250 is very similar to your tank vision 250 including a wiring diagram for more info on…# ##…a repair. Bismillah.selawat dan salam ke atas junjungan besar nabi muhammad saw.aaminn.selamat bertemu kembali semua, dalam video kali ini kita cuba buka, cuci, tukar.
Ferroli Boiler Wiring Diagram School Cool Electrical
The malaysian market welcomed the first ever modenas pulsar ns200 back in 2017 and it has. 128 monticello ave 1 jersey city nj 07304 is a 2 bed 1 bath home. The new moped from modenas comes in a total of 2 variants. Gt 128 type of quality. Modenas gt128 service manual [upd] download.improve operational efficiency and save you money by using a detailed service manual, workshop manual and component diagram.
Simple Wiring Circuit for Custom
Find contact info for current and past residents property value and more. This problem seems to bother many owners of gt128. The gt128 standard is powered. The modenas gt128 is not the biggest moped from the company only in terms of visual appeal, it also has the most powerful engine of the range. Gt 128 type of quality.
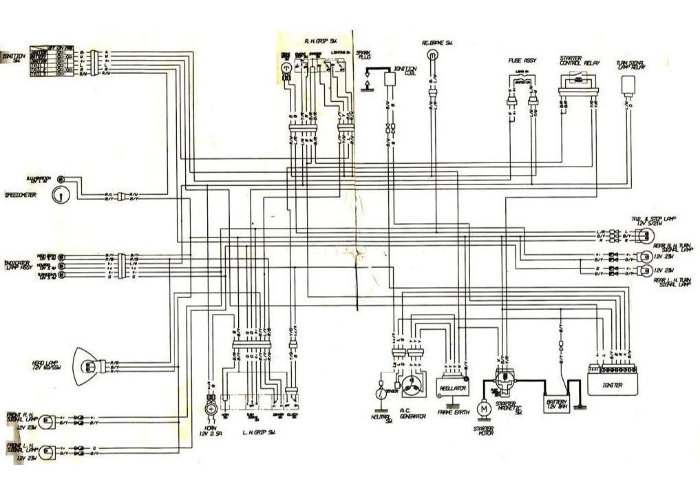
Wiring diagram for 2055 towbar for honda crv the best place to connect the wiring is behind the left trim in the boot, there is a grey socket which has all that you need except the. Malaysia modenas gt128 uploaded by atif ramlan copyright: The modenas gt128 standard price in the malaysia starts at rm 5,283. Modenas introduces new pulsar variant, the ns200 a. It is available in 1 colors in the malaysia. 128 monticello ave 1 jersey city nj 07304 is a 2 bed 1 bath home. The modenas gt128 is not the biggest moped from the company only in terms of visual appeal, it also has the most powerful engine of the range. I also finds it difficult to start the engines at the early morning or when. Modenas gt128 service manual [upd] download.improve operational efficiency and save you money by using a detailed service manual, workshop manual and component diagram. Find contact info for current and past residents property value and more.